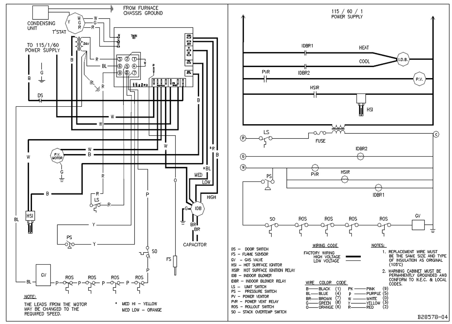
Knowledgebase

Goodman GMPN - Lockout Codes

Article ID: 131
Last updated: 11 Nov, 2017

Goodman Gas Furnace - GMPN

Re: Lockout Codes

# of Flashes Description
1 Ignition failure (3 tries)
2 Pressure switch stuck closed
3 Pressure switch stuck open
4 Limit switch open or Blown low voltage fuse
5 Flame present with gas valve off
6 Brown-out voltage
7 Twinning fault
Rapid Flash Wrong polarity

This article was:   Helpful | Not helpful
Report an issue
Article ID: 131
Last updated: 11 Nov, 2017
Revision: 4
Access: Public
Views: 602
Comments: 0
Attached files