Knowledgebase
Recent files
INSTALLATION MANUAL Download
R95PA MANUAL.pdf
19 Nov, 2020 31.06 mb Downloads: 771
TM9E Configuration Download
TM9E Configuration.pdf
21 Sep, 2020 220 kb Downloads: 991
HP Proposal Download
HP PROPOSAL 2019a.pdf
15 Jan, 2019 299 kb Downloads: 506
TG9s Orientation Download
TG9S Orientation.pdf
9 May, 2017 310 kb Downloads: 1148
ICM281 Install Download
ICM281 Install.pdf
ICM281 Installation Instructions
7 Feb, 2017 147 kb Downloads: 862


Most downloaded
Duct Sizing Chart Download
Duct Size Chart.pdf
Ductwork Sizing Chart
11 Mar, 2016 22 kb Downloads: 15118
4TWR4 Demand Defrost Control Download
4TWR4 Defrost.pdf
Trane Demand Defrost Control
28 Dec, 2016 900 kb Downloads: 5690
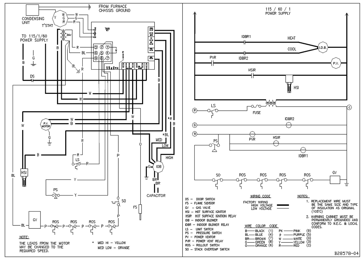
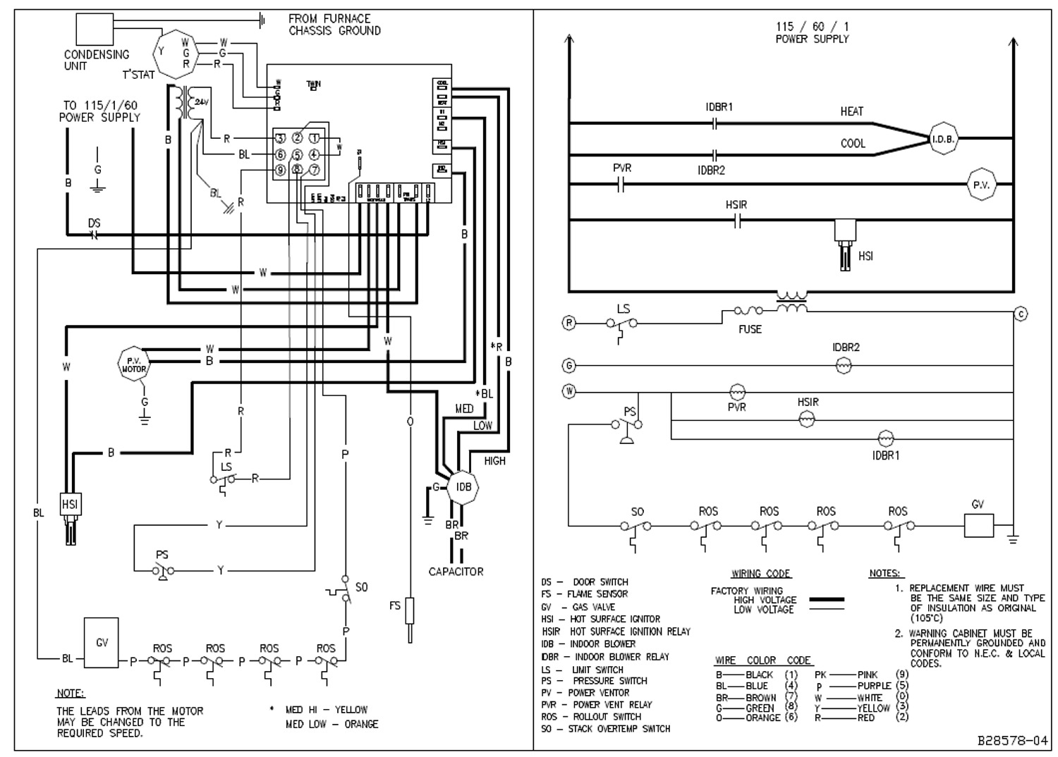
R4GA Diagram Download
R4GA Diagram.jpeg
Nordyne R4GA Wiring Diagram
12 Jan, 2017 460 kb Downloads: 2317
Superheat Chart Download
Superheat Chart.jpg
Fixed Metering Device Superheat Calculator
2 May, 2016 285 kb Downloads: 1694
GMPN Diagram Download
GMPN Diagram.jpg
Goodman GMPN Furnace Diagram
12 Jan, 2017 255 kb Downloads: 1502